Магазин запчастей для бытовой техники - Arlos
Москва
close
Выберите ваш регион
АбаканАлександровАльметьевскАнгарскАрзамасАрмавирАртемАрхангельскАстраханьАчинскБалаковоБалашихаБеларусьБелгородБердскБерезникиБийскБлаговещенскБратскБрянскВеликий НовгородВидноеВладивостокВладикавказВладимирВолгоградВолгодонскВолжскийВологдаВолховВоркутаВоронежВоскресенскВыборгГатчинаГеленджикГрозныйДедовскДербентДзержинскДзержинскийДимитровградДмитровДолгопрудныйДомодедовоДонецкЕвпаторияЕгорьевскЕкатеринбургЕлецЕссентукиЖелезногорскЖелезнодорожныйЖуковскийЗеленоградЗлатоустИвановоИвантеевкаИжевскИркутскИстраЙошкар-ОлаКазаньКалининградКалугаКаменск-УральскийКамышинКаспийскКемеровоКерчьКировКисловодскКлинКовровКоломнаКомсомольск-на-АмуреКопейскКоролёвКостромаКотельникиКрасногорскКраснодарКраснознаменскКрасноярскКурганКурскКызылЛенинск-КузнецкийЛипецкЛобняЛыткариноЛюберцыМагнитогорскМайкопМалаховкаМахачкалаМиассМоскваМурманскМуромМытищиНабережные ЧелныНазраньНальчикНаро-ФоминскНахабиноНаходкаНевинномысскНефтекамскНефтеюганскНижневартовскНижнекамскНижний НовгородНижний ТагилНовокузнецкНовокуйбышевскНовомосковскНовороссийскНовосибирскНовоуральскНовочебоксарскНовочеркасскНовошахтинскНовый УренгойНогинскНорильскНоябрьскОбнинскОдинцовоОктябрьскийОмскОрелОренбургОрехово-ЗуевоОрскПавловский ПосадПензаПервоуральскПермьПетрозаводскПетропавловск-КамчатскийПодольскПрокопьевскПсковПушкиноПятигорскРаменскоеРеутовРостов-на-ДонуРубцовскРыбинскРязаньСакиСалаватСамараСанкт-ПетербургСаранскСаратовСевастопольСеверодвинскСеверскСергиев ПосадСерпуховСимферопольСмоленскСосновый БорСочиСтавропольСтарый ОсколСтерлитамакСтупиноСургутСызраньСыктывкарТаганрогТамбовТверьТихвинТольяттиТомилиноТомскТроицкТулаТюменьУлан-УдэУльяновскУссурийскУсть-ИлимскУфаУхтаФеодосияФрязиноХабаровскХанты-МансийскХасавюртХимкиЧебоксарыЧелябинскЧереповецЧеркесскЧеховЧитаШахтыЩелковоЭлектростальЭлистаЭнгельсЮжно-СахалинскЯкутскЯлтаЯрославль
  • - бесплатно по РФ
    Автоперезвон. Работает по принципу: Вы позвонили на номер, мы сбрасываем звонок и перезваниваем через 3 секунды.
  • - по Москве
  • 8 (925) 663-83-63

Call-центр

пн-вс: 10:00-19:00

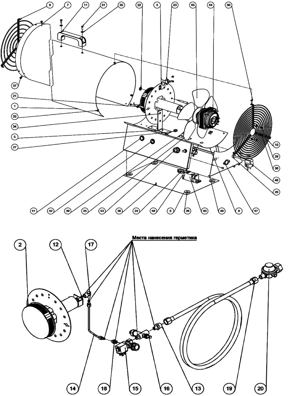
ЗАПЧАСТИ ДЛЯ НАГРЕВАТЕЛЯ ГАЗОВОГО ELITECH ТП 50ГБ (2015 ГОД)

NАртикулНазваниеСрок отгрузкиЦенаКупить
1 1402.025020 Корпус
2 1402.020031 Горелка GH-60.505.001 СБ 1.139 р.
10 1402.025080 Решетка задняя
11 1402.021401 Рукоятка СП 120 82 р.
12 1402.022330 Форсунка GH-S-060-175-1[60-175] D9.8: ТП50ГБ. 101 р.
13 1402.022101 Фитинг
14 1402.021901 Трубка медная, 4х200. ST-CT-01-200. ТП 10-50ГБ 2016.СМ.1402.021900 191 р.
14 1402.021900 Трубка медная, 4х200. ST-CT-01-200. ТП 10-50ГБ 2016.СМ.1402.021901 195 р.
15 1402.020540 Клапан ЭМ электромагнитный c регулировкой газовый ST-20B-21-80 (d=1.3): ТП50ГБ.ТП70ГБ. 2.159 р.
16 1402.020510 Клапан кнопочный газовый безопасности ST-406A(2014) стелка к резьбе: ТП10ГБ.ТП15ГБ.ТП20ГБ. 1.920 р.
17 1402.022201 Переходник Г-образный
18 1402.022121 Фитинг
19 1402.021202 Шланг газовый 3/8LHх3/8LH 1.486 р.
20 1402.021200 Редуктор 1,5 bar (H340 IGT F-male regulator) ТП 10Г-70Г 2.117 р.
21 1402.021102 Электрод ТП10ГБ 579 р.
22 1402.021700 Термопара ST-RRDT-F/01(2014)
23 1402.021800 Термостат KSD 301. 250В, 16A, 90°C, FBVL. ТП 10.15.20.30.50.70ГБ (СМ. 1403.013800) 121 р.
26 1402.022000 Фиксатор кабеля SB7R-1: ТП10ГБ.ТП15ГБ.ТП20ГБ.ТП30ГБ.ТП50ГБ.ТП70ГБ. 28 р.
29 1402.020100 Винт M4х10 мм DIN 7985
31 1402.020200 Винт M4х14 мм DIN 7985
35 1402.022400 Шайба увеличенная D.4 мм DIN 9021 118 р.
38 1402.021500 Винт самонарезающий ST3,9х10 мм DIN 7981
40 1402.021101 Блок электроподжига ТП10-70ГБ 2015Г 1.276 р.
41 1402.025040 Кнопка без фиксации ТП50ГБ 286 р.
42 1402.025050 Двухпозиционный переключатель, 220В, 6А. ТП 10.15.30.50.70 2015.2017 128 р.
43 1402.025060 Ручка регулирующая. IZTT.00.02.001. ТП 15.30.50.70ГБ 2015-2017 97 р.
44 1402.022620 Электродвигатель AC220/50Hz/0,42A/103W/2700RPM/2?F/450V 0статор 20/вал 7: ТП50ГБ. 8.211 р.
45 1402.020940 Крыльчатка вентилятора ST-254-34/~16°: ТП50ГБ. 202 р.
46 1402.022501 Кабель сетевой в сборе с наконечником
47 1402.022102 Фиксатор фитинга
Найдено товаров: 30
1
▲ Наверх
0
8 (925) 663-83-63

Call-центр

пн-вс: 10:00-19:00

НАЙТИ ПО МОДЕЛИ
Введите номер заказа
Введите номер своего заказа, что бы узнать его текущий статус.
Что бы получить доступ к расширенным функциям, пройдите не сложную регистрацию. Зарегистрироваться