Магазин запчастей для бытовой техники - Arlos
Москва
close
Выберите ваш регион
АбаканАлександровАльметьевскАнгарскАрзамасАрмавирАртемАрхангельскАстраханьАчинскБалаковоБалашихаБеларусьБелгородБердскБерезникиБийскБлаговещенскБратскБрянскВеликий НовгородВидноеВладивостокВладикавказВладимирВолгоградВолгодонскВолжскийВологдаВолховВоркутаВоронежВоскресенскВыборгГатчинаГеленджикГрозныйДедовскДербентДзержинскДзержинскийДимитровградДмитровДолгопрудныйДомодедовоДонецкЕвпаторияЕгорьевскЕкатеринбургЕлецЕссентукиЖелезногорскЖелезнодорожныйЖуковскийЗеленоградЗлатоустИвановоИвантеевкаИжевскИркутскИстраЙошкар-ОлаКазаньКалининградКалугаКаменск-УральскийКамышинКаспийскКемеровоКерчьКировКисловодскКлинКовровКоломнаКомсомольск-на-АмуреКопейскКоролёвКостромаКотельникиКрасногорскКраснодарКраснознаменскКрасноярскКурганКурскКызылЛенинск-КузнецкийЛипецкЛобняЛыткариноЛюберцыМагнитогорскМайкопМалаховкаМахачкалаМиассМоскваМурманскМуромМытищиНабережные ЧелныНазраньНальчикНаро-ФоминскНахабиноНаходкаНевинномысскНефтекамскНефтеюганскНижневартовскНижнекамскНижний НовгородНижний ТагилНовокузнецкНовокуйбышевскНовомосковскНовороссийскНовосибирскНовоуральскНовочебоксарскНовочеркасскНовошахтинскНовый УренгойНогинскНорильскНоябрьскОбнинскОдинцовоОктябрьскийОмскОрелОренбургОрехово-ЗуевоОрскПавловский ПосадПензаПервоуральскПермьПетрозаводскПетропавловск-КамчатскийПодольскПрокопьевскПсковПушкиноПятигорскРаменскоеРеутовРостов-на-ДонуРубцовскРыбинскРязаньСакиСалаватСамараСанкт-ПетербургСаранскСаратовСевастопольСеверодвинскСеверскСергиев ПосадСерпуховСимферопольСмоленскСосновый БорСочиСтавропольСтарый ОсколСтерлитамакСтупиноСургутСызраньСыктывкарТаганрогТамбовТверьТихвинТольяттиТомилиноТомскТроицкТулаТюменьУлан-УдэУльяновскУссурийскУсть-ИлимскУфаУхтаФеодосияФрязиноХабаровскХанты-МансийскХасавюртХимкиЧебоксарыЧелябинскЧереповецЧеркесскЧеховЧитаШахтыЩелковоЭлектростальЭлистаЭнгельсЮжно-СахалинскЯкутскЯлтаЯрославль
  • - бесплатно по РФ
    Автоперезвон. Работает по принципу: Вы позвонили на номер, мы сбрасываем звонок и перезваниваем через 3 секунды.
  • - по Москве
  • 8 (925) 663-83-63

Call-центр

пн-вс: 10:00-19:00

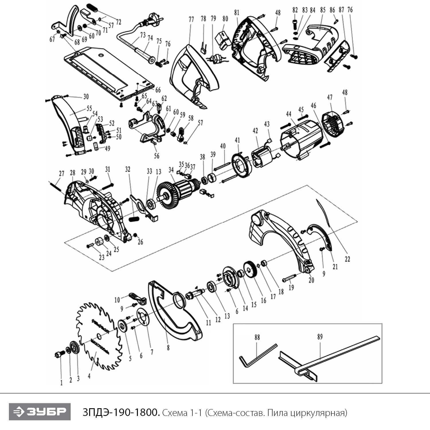
Пила циркулярная ЗПДЭ-190-1800

Данная модель имеет несколько схем

NАртикулНазваниеСрок отгрузкиЦенаКупить
1 UM01-000-126 Винт M8x24 H6 92 р.
1.20 U009-608-RS0 Подшипник шариковый 608-2RS (22х8х7) U009-608-RS0 для пил ЗПС-850 Э, ЗПТ-210-1300-Л 306 р.
2 UM06-001-004 Кольцо стопорное D11 разжимное UM06-001-004 для ЗДА-9.6-К, ЗНАС-1000 46 р.
2 UM04-002-019 Шайба D24 D8,5 h2 92 р.
2.023 U353-110-006 Шпонка сегментная 3х10 U353-110-006 для ПБЦ-370 35П, ЗДУ-580 ЭРКМ2 92 р.
3 N000-004-985 Шайба прижимная
5 N000-004-987 Шайба прижимная
6 UM01-000-011 Винт M4x10 PH2 81 р.
7 U255-122-053 Шайба кожуха
8 N000-004-990 Кожух диска подвижный
9 UM01-000-012 Винт M4x10 92 р.
10 N000-004-992 Рычаг
11 N000-004-993 Шпиндель 235 р.
13 U009-600-1RS Подшипник шариковый 6001-2Z (28х12х8) CHFZ 286 р.
13 U352-102-017 Втулка D12хd8х8 U352-102-017 для ПД-55, ЗПДЭ-190-1800, ЗДУ-850 ЭРММ2 189 р.
14 N000-004-996 Фланец
15 U155-150-047 Втулка 189 р.
16 N000-004-998 Шестерня 596 р.
19 N000-005-001 Винт специальный
20 N000-005-002 Крышка корпуса кожуха
21 N000-005-003 Щиток
23 UM01-000-150 Винт M6х19
24 U355-180-060 Отбойник резиновый 92 р.
25 UM04-002-008 Шайба D18хd6 92 р.
26 UM05-001-001 Гайка M5 (автогровер) 92 р.
27 U255-122-054 Пружина подвижного кожуха 61 р.
28 N000-005-010 Промщит 684 р.
29 UM04-001-002 Шайба-гровер D4 92 р.
30 UM01-000-021 Винт M4x16 PH2 #F 92 р.
31 UM01-000-027 Винт M4x32 РН2 #F 92 р.
32 N000-005-014 Пружина D7 h40
33 N000-005-015 Стопор
34 N000-005-016 Ротор КДС D48.5x42 2.905 р.
35 N000-005-017 Крышка щеткодержателя 15x11x2 205 р.
36 U505-160-012-W Щетка графитовая (пара) 6.5х10.9х13 271 р.
37 N000-005-019 Щеткодержатель 21x6.5x17.2 115 р.
39 U353-110-031 Втулка подшипника 608 резиновая 104 р.
40 UM02-000-047 Саморез 4x68 PH2 #F 92 р.
41 N000-005-023 Защита статора
42 N000-005-024 Статор 2.248 р.
44 N000-005-026 Корпус двигателя
45 UM01-000-065 Винт M5x47 PH2 #F 92 р.
46 UM01-000-062 Винт M5x52 PH2 #F 92 р.
47 N000-005-029 Крышка задняя
48 UM01-000-040 Винт M5x20 РН2 #F 92 р.
57 UM06-001-014 Кольцо разжимное D10 #F 92 р.
58 N000-005-040 Рычаг
59 N000-005-041 Гайка специальная М6
60 UM04-000-004 Шайба D6 92 р.
61 N000-005-043 Кронштейн наклона в сборе
62 U355-180-028 Винт-барашек M6 92 р.
64 U255-120-044 Винт M6х16 92 р.
65 UM01-000-147 Винт M5х12 PH2 25 р.
66 N000-005-049 Стол
68 U403-120-016 Винт M6х18 специальный
70 N000-005-053 Гайка специальная М6
71 N000-005-054 Рычаг
73 U099-004-006 Шнур сетевой H05RN-F Rubber 2Gх1мм2 2м 189 р.
74 U098-002-001 Воротник шнура #F 92 р.
75 U355-180-066 Прижим шнура
76 UM02-000-024 Саморез 4x16 92 р.
77 N000-005-059 Ручка правая часть
78 U353-115-041 Конденсатор 0,33мкф 92 р.
80 V000-000-441 Выключатель FADE FA2-210/2DB 12(10)A ~250V 5E4 771 р.
81 N000-005-062 Ручка левая часть
82 UM01-000-045 Винт M5x25 92 р.
83 UM04-001-003 Шайба-гровер D5 92 р.
84 UM04-000-003 Шайба D5 #F 92 р.
85 N000-005-066 Рукоятка боковая
86 UM02-000-027 Саморез 4x18 PH2 92 р.
87 N000-005-068 Накладка боковой рукоятки
Найдено товаров: 71
1
▲ Наверх
0
8 (925) 663-83-63

Call-центр

пн-вс: 10:00-19:00

НАЙТИ ПО МОДЕЛИ
Введите номер заказа
Введите номер своего заказа, что бы узнать его текущий статус.
Что бы получить доступ к расширенным функциям, пройдите не сложную регистрацию. Зарегистрироваться