Магазин запчастей для бытовой техники - Arlos
Москва
close
Выберите ваш регион
АбаканАлександровАльметьевскАнгарскАрзамасАрмавирАртемАрхангельскАстраханьАчинскБалаковоБалашихаБеларусьБелгородБердскБерезникиБийскБлаговещенскБратскБрянскВеликий НовгородВидноеВладивостокВладикавказВладимирВолгоградВолгодонскВолжскийВологдаВолховВоркутаВоронежВоскресенскВыборгГатчинаГеленджикГрозныйДедовскДербентДзержинскДзержинскийДимитровградДмитровДолгопрудныйДомодедовоДонецкЕвпаторияЕгорьевскЕкатеринбургЕлецЕссентукиЖелезногорскЖелезнодорожныйЖуковскийЗеленоградЗлатоустИвановоИвантеевкаИжевскИркутскИстраЙошкар-ОлаКазаньКалининградКалугаКаменск-УральскийКамышинКаспийскКемеровоКерчьКировКисловодскКлинКовровКоломнаКомсомольск-на-АмуреКопейскКоролёвКостромаКотельникиКрасногорскКраснодарКраснознаменскКрасноярскКурганКурскКызылЛенинск-КузнецкийЛипецкЛобняЛыткариноЛюберцыМагнитогорскМайкопМалаховкаМахачкалаМиассМоскваМурманскМуромМытищиНабережные ЧелныНазраньНальчикНаро-ФоминскНахабиноНаходкаНевинномысскНефтекамскНефтеюганскНижневартовскНижнекамскНижний НовгородНижний ТагилНовокузнецкНовокуйбышевскНовомосковскНовороссийскНовосибирскНовоуральскНовочебоксарскНовочеркасскНовошахтинскНовый УренгойНогинскНорильскНоябрьскОбнинскОдинцовоОктябрьскийОмскОрелОренбургОрехово-ЗуевоОрскПавловский ПосадПензаПервоуральскПермьПетрозаводскПетропавловск-КамчатскийПодольскПрокопьевскПсковПушкиноПятигорскРаменскоеРеутовРостов-на-ДонуРубцовскРыбинскРязаньСакиСалаватСамараСанкт-ПетербургСаранскСаратовСевастопольСеверодвинскСеверскСергиев ПосадСерпуховСимферопольСмоленскСосновый БорСочиСтавропольСтарый ОсколСтерлитамакСтупиноСургутСызраньСыктывкарТаганрогТамбовТверьТихвинТольяттиТомилиноТомскТроицкТулаТюменьУлан-УдэУльяновскУссурийскУсть-ИлимскУфаУхтаФеодосияФрязиноХабаровскХанты-МансийскХасавюртХимкиЧебоксарыЧелябинскЧереповецЧеркесскЧеховЧитаШахтыЩелковоЭлектростальЭлистаЭнгельсЮжно-СахалинскЯкутскЯлтаЯрославль
  • - бесплатно по РФ
    Автоперезвон. Работает по принципу: Вы позвонили на номер, мы сбрасываем звонок и перезваниваем через 3 секунды.
  • - по Москве
  • 8 (925) 663-83-63

Call-центр

пн-вс: 10:00-19:00

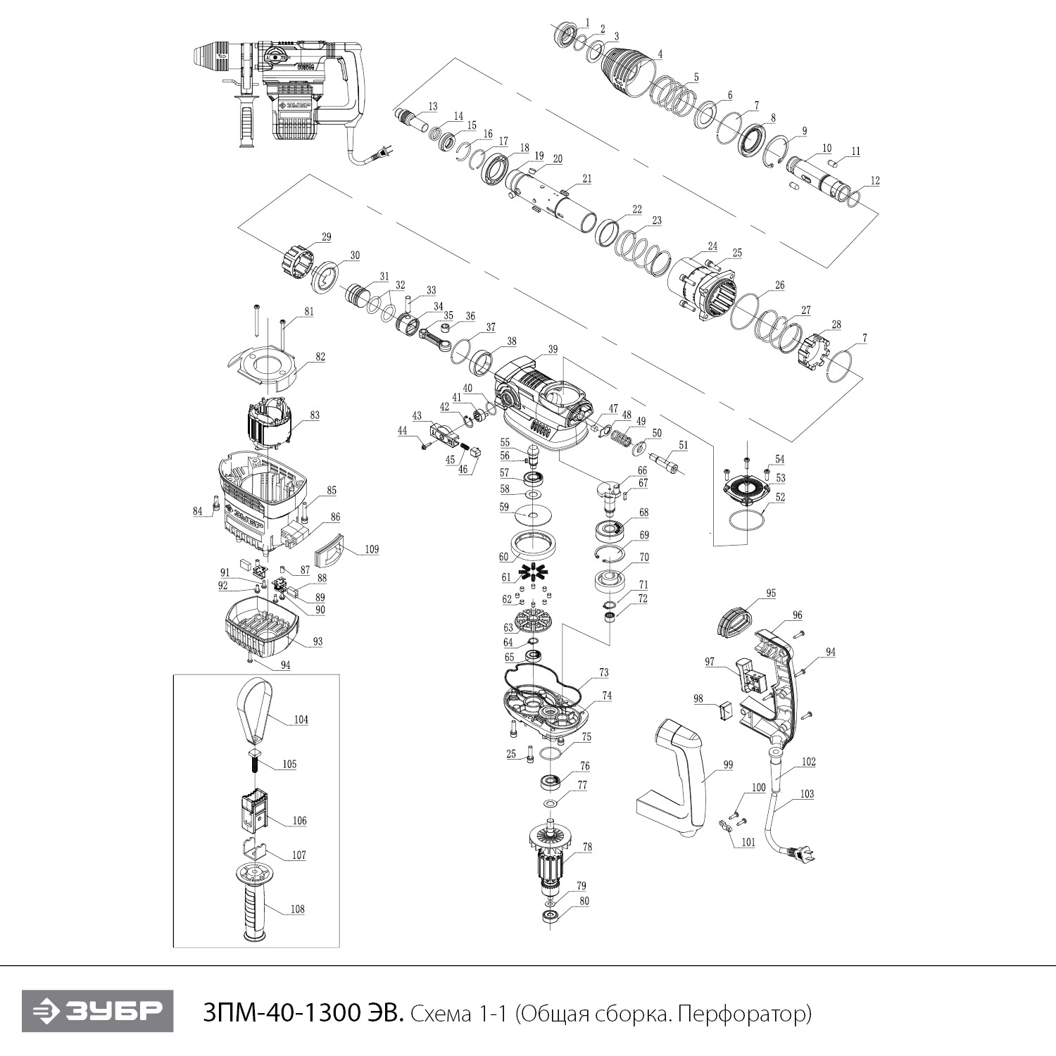
Перфоратор SDS-Max ЗПМ-40-1300 ЭВ

Данная модель имеет несколько схем

NАртикулНазваниеСрок отгрузкиЦенаКупить
U009-600-2RS Подшипник шариковый 6002-2RS (32x15x9) CCEB U009-600-2RS 404 р.
T10 U009-600-0RS Подшипник шариковый 6000-2RS (26х10х8) U009-600-0RS для пил ПД-55, ПЦ-2240 306 р.
T21 U009-620-1RS Подшипник шариковый (32х12х10) U009-620-1RS для ЗЦПБ-370, ЗЭП-600Н, НПГ-М3-1100-С 189 р.
1 N000-042-285 Пыльник ствола
2 N000-042-286 Кольцо стопорное D28х2 379 р.
3 N000-042-287 Шайба D40хd28.1х3
4 N000-042-288 Кожух патрон D57Х60
5 N000-042-289 Пружина патрона 47Х42.5Х2.5Х64
6 N000-042-290 Шайба D47.5хd30х5
7 N000-042-291 Кольцо стопорное D65Х2
8 N000-042-292 Сальник D55хd35х8
9 N000-042-293 Кольцо стопорное D55Х2
10 N000-042-294 Ствол
11 N000-042-295 Ролик D8Х19.5
12 N000-042-296 Кольцо уплотнительное D25.5х2
13 N000-042-297 Ударник D22х66.5
14 N000-042-298 Кольцо уплотнительное 17Х2.65
15 N000-042-299 Втулка ударника D27хd16.5х9
16 N000-042-300 Кольцо стопорное 33Х2.5
17 N000-042-301 Кольцо стопорное 33Х2
18 N000-042-302 Подшипник шариковый 61907-2RS
19 N000-042-303 Цилиндр D40хd32х184
20 N000-042-304 Шпонка цилиндрическая D9.8Х6.5
21 N000-042-305 Шпонка плоская 4х4х16
22 N000-042-306 Втулка 39Х44Х10
23 N000-042-307 Пружина 39.5х2.5х82
24 N000-042-308 Корпус ствола 75хd49.5х98.4
25 N000-042-309 Винт M6Х25
26 N000-042-310 Кольцо уплотнительное 63х2
27 N000-042-311 Пружина 49х2.5х60
28 N000-042-312 Муфта
29 N000-042-313 Муфта
30 N000-042-314 Шестерня Z57
31 N000-042-315 Боек
32 N000-042-316 Кольцо уплотнительное 24х4
33 N000-042-317 Палец поршня 8Х30
34 N000-042-318 Поршень D29
35 N000-042-319 Шатун D13Хd8Х11
36 N000-042-320 Втулка D13Хd9Х10
37 N000-042-321 Кольцо стопорное 49х2
38 N000-042-322 Втулка корпуса D44х37х12
39 N000-042-323 Корпус редуктора
40 N000-042-324 Кольцо уплотнительное D20х2
41 N000-042-325 Вал ручки в сборе D19.9Х20.5
42 N000-042-326 Кольцо стопорное d20Х1.5
43 N000-042-327 Ручка переключения
45 N000-042-328 Пружина ручки D6.2Х0.7Х20.5
46 N000-042-329 Блок кнопки 13Х11.8Х13.5
47 N000-042-330 Уплотнение фетровое 8.5Х8
48 N000-042-331 Пластина прижимная 26Хd20Х1
49 N000-042-332 Пружина D12.5Х1.8Х32
50 N000-042-333 Шайба D30х22х2.8
51 N000-042-334 Болт M17х55
52 N000-042-335 Кольцо уплотнительное D55х2
53 N000-042-336 Крышка смазочного окна D63.9хd59.5х31.5
55 N000-042-337 Шестерня Z37
56 N000-042-338 Шпонка плоская 3х3х8
58 N000-042-339 Шайба 26Х14Х1
59 N000-042-340 Шайба 61.5Х14.1Х1.5
60 N000-042-341 Шестерня Z57
61 N000-042-342 Пружина 6.1Х1.3Х14.6 8 шт.
62 N000-042-343 Штифт роликовый 6х6 8 шт.
63 N000-042-344 Муфта обгонная D62хd9х8.5
64 N000-042-345 Кольцо стопорное D14
66 N000-042-346 Кривошип D42х68
67 U301-105-036 Шпонка 4х4х14 92 р.
68 N000-042-347 Подшипник шариковый 6303-2RS (47х17х14)
69 N000-042-348 Кольцо стопорное D47
70 N000-042-349 Шестерня Z37
71 N000-042-350 Кольцо стопорное D17
72 U010-121-000 Подшипник игольчатый HK1210 (16х12х10) 189 р.
73 N000-042-351 Прокладка промщита D84.2хd64.2х69.5хd2
74 N000-042-352 Корпус редуктора нижний
75 N000-042-353 Кольцо уплотнительное D32х2
77 N000-042-354 Шайба 22Х13Х0.3
78 N000-042-355 Ротор КДС. Z6
79 N000-042-356 Шайба D16.5Х8.2Х0.5
80 N000-042-357 Подшипник шариковый 628-2RS
82 N000-042-358 Диффузор 82хd44х22
83 N000-042-359 Статор
86 N000-042-360 Корпус двигателя
87 N000-042-361 Гайка М4Х10
88 N000-042-362 Щетка графитовая (пара) 6Х12Х18.5
89 N000-042-363 Щеткодержатель пара
90 N000-042-364 Пружина d11х3
93 N000-042-365 Крышка нижняя двигателя
95 N000-042-366 Кожух АВТ 64.9х40.3х19.5
96 N000-042-367-C Ручка в сборе правая и левая часть EV(96. 99)
97 V000-003-528 Выключатель TN06-3 12(12)A
98 N000-042-368 Конденсатор TNS-3TH 0.33µF
101 N000-042-369 Пластина прижимная шнура 27.5х8.2х6.5
102 N000-042-370 Втулка шнура D26.5хd9х73
103 N000-042-371 Шнур сетевой H07RN-F 2х1mm2. 5m
108 N000-042-372-C Ручка дополнительная в сборе EV(104-109)
Найдено товаров: 94
1
▲ Наверх
0
8 (925) 663-83-63

Call-центр

пн-вс: 10:00-19:00

НАЙТИ ПО МОДЕЛИ
Введите номер заказа
Введите номер своего заказа, что бы узнать его текущий статус.
Что бы получить доступ к расширенным функциям, пройдите не сложную регистрацию. Зарегистрироваться