Магазин запчастей для бытовой техники - Arlos
Москва
close
Выберите ваш регион
АбаканАлександровАльметьевскАнгарскАрзамасАрмавирАртемАрхангельскАстраханьАчинскБалаковоБалашихаБеларусьБелгородБердскБерезникиБийскБлаговещенскБратскБрянскВеликий НовгородВидноеВладивостокВладикавказВладимирВолгоградВолгодонскВолжскийВологдаВолховВоркутаВоронежВоскресенскВыборгГатчинаГеленджикГрозныйДедовскДербентДзержинскДзержинскийДимитровградДмитровДолгопрудныйДомодедовоДонецкЕвпаторияЕгорьевскЕкатеринбургЕлецЕссентукиЖелезногорскЖелезнодорожныйЖуковскийЗеленоградЗлатоустИвановоИвантеевкаИжевскИркутскИстраЙошкар-ОлаКазаньКалининградКалугаКаменск-УральскийКамышинКаспийскКемеровоКерчьКировКисловодскКлинКовровКоломнаКомсомольск-на-АмуреКопейскКоролёвКостромаКотельникиКрасногорскКраснодарКраснознаменскКрасноярскКурганКурскКызылЛенинск-КузнецкийЛипецкЛобняЛыткариноЛюберцыМагнитогорскМайкопМалаховкаМахачкалаМиассМоскваМурманскМуромМытищиНабережные ЧелныНазраньНальчикНаро-ФоминскНахабиноНаходкаНевинномысскНефтекамскНефтеюганскНижневартовскНижнекамскНижний НовгородНижний ТагилНовокузнецкНовокуйбышевскНовомосковскНовороссийскНовосибирскНовоуральскНовочебоксарскНовочеркасскНовошахтинскНовый УренгойНогинскНорильскНоябрьскОбнинскОдинцовоОктябрьскийОмскОрелОренбургОрехово-ЗуевоОрскПавловский ПосадПензаПервоуральскПермьПетрозаводскПетропавловск-КамчатскийПодольскПрокопьевскПсковПушкиноПятигорскРаменскоеРеутовРостов-на-ДонуРубцовскРыбинскРязаньСакиСалаватСамараСанкт-ПетербургСаранскСаратовСевастопольСеверодвинскСеверскСергиев ПосадСерпуховСимферопольСмоленскСосновый БорСочиСтавропольСтарый ОсколСтерлитамакСтупиноСургутСызраньСыктывкарТаганрогТамбовТверьТихвинТольяттиТомилиноТомскТроицкТулаТюменьУлан-УдэУльяновскУссурийскУсть-ИлимскУфаУхтаФеодосияФрязиноХабаровскХанты-МансийскХасавюртХимкиЧебоксарыЧелябинскЧереповецЧеркесскЧеховЧитаШахтыЩелковоЭлектростальЭлистаЭнгельсЮжно-СахалинскЯкутскЯлтаЯрославль
  • - бесплатно по РФ
    Автоперезвон. Работает по принципу: Вы позвонили на номер, мы сбрасываем звонок и перезваниваем через 3 секунды.
  • - по Москве
  • 8 (925) 663-83-63

Call-центр

пн-вс: 10:00-19:00

Мотоблок бензиновый с понижающей передачей GT-430 L

Данная модель имеет несколько схем

NАртикулНазваниеСрок отгрузкиЦенаКупить
1.007 N000-029-822 Трос привода сцепления N000-029-822 для GT-300, МТБ-300 У, GT-430 L 357 р.
1.065 N000-029-829 Ролик натяжной с возвратной пружиной N000-029-829 для GT-330, МТУ-350 1.218 р.
1.1 N000-039-322 Редуктор в сборе 15.514 р.
1.106 N000-029-842 Ремень зубчатый 17х937Lp/914Li N000-029-842 для GT-300, МТБ-300 У 1.084 р.
1.3 N000-039-345 Рама левая
1.3.1 N000-039-346 Рама правая
2.1 N000-039-330 Кронштейн задний
2.3 N000-029-827 Кронштейн крыльев задний 936 р.
3.5 N000-032-264 Кронштейн ограничения ремня универсальный
3.6 N000-032-277 Кронштейн верхний универсальный
3.7 N000-039-344 Кронштейн под тросс сцепления
4.7 N000-032-280 Опора крепления руля 2.905 р.
4.8 N000-035-234 Прокладка редуктора 178 р.
5.1 N000-029-821 Трос дроссельной заслонки 767 р.
5.2 V000-003-412 Выключатель зажигания 23kV/0.001A 492 р.
5.3 N000-029-665 Рычаг газа 369 р.
5.4 N000-029-662 Ручка резиновая
5.5 N000-029-819 Рычаг привода сцепления 619 р.
5.8 N000-039-333 Руль
7.1 N000-032-275 Двигатель 7 л.с. V1 29.092 р.
7.12 N000-032-276 Шпонка вала двигателя
7.7 N000-029-843-2 Шкив ведущий 1.041 р.
8.12 N000-032-263 Пружина возвратная
8.4 N000-029-830 Шкив ведомый одноручейковый 1.507 р.
10.1 N000-029-848 Ручка рычага переключения передач 250 р.
10.2 N000-029-823 Рычаг переключения передач 626 р.
10.3 N000-032-262 Палец 5х25 мм
11.5 N000-039-348 Кронштейн крыльев передний правый 571 р.
11.6 N000-039-347 Кронштейн крыльев передний левый 571 р.
13.5 N000-039-313 Кожух ремня
14.5 N000-039-312 Крыло левое
14.6 N000-039-311 Крыло правое
15.1 N000-029-694 Штифт сцепки 16x120 в сборе с шплинтом 264 р.
15.3 N000-039-337 Кронштейн сцепки
15.8 N000-039-350 Сошник в сборе
16.1 N000-029-850 Штифт с головкой и шплинтом 8х40 161 р.
16.2 N000-039-326 Нож фрезы левый
16.6 N000-039-327 Нож фрезы правый
16.7 N000-039-342 Ось (3 фрезы) 23 мм левая 1.543 р.
16.9 N000-039-343 Ось (3 фрезы) 23 мм правая 1.543 р.
17.02 N000-029-851 Стартер в сборе 1.207 р.
17.05 N000-032-288 Кожух маховика
17.07 N000-032-289 Стакан маховика
17.08 N000-032-290 Крыльчатка маховика
17.09 N000-032-291 Маховик 1.353 р.
17.101 N000-029-896 Фильтр сетчатый топливного бака
17.103 N000-029-890 Бак топливный 6л 3.781 р.
17.104 N000-032-310 Штуцер бака 84 р.
17.106 N000-029-892 Шланг топливный L200 D8/d4
17.107 N000-032-311 Хомут шланга
17.108 N000-029-854 Регулятор центробежный в сборе
17.109 N000-029-857 Шатун в сборе 3.301 р.
17.11 N000-029-852 Реле датчика масла
17.110 N000-029-878 Кольца поршневые (набор) D70 581 р.
17.14 N000-029-853 Картер 3.897 р.
17.15 N000-029-699 Болт для слива масла M10х12
17.23 N000-032-293 Вал регулятора оборотов 453 р.
17.25 N000-032-294 Пружина тяги 108 р.
17.26 N000-032-295 Тяга рычага регулятора
17.27 N000-032-296 Рычаг регулировки оборотов 1.648 р.
17.31 N000-032-297 Пружина рычага регулятора 123 р.
17.34 N000-032-298 Основание рычага регулировки оборотов 936 р.
17.35 N000-029-855 Магнето 1.715 р.
17.37 N000-029-856 Датчик уровня масла поплавковый
17.38 N000-029-779 Сальник D41.25хd25х6 674 р.
17.39 U009-620-500 Подшипник шариковый 6205 (52х25х15) 744 р.
17.40 N000-032-299 Крышка шатуна
17.42 N000-029-858 Шпонка сегментная L18xS4xH5 81 р.
17.43 N000-029-859 Коленвал 2.641 р.
17.44 N000-029-860 Прокладка крышки картера 911 р.
17.48 N000-029-861 Крышка картера 1.992 р.
17.49 N000-029-862 Крышка-щуп маслозаливной горловины
17.51 N000-032-300 Распредвал 4.745 р.
17.52 N000-032-301 Экран теплозащитный
17.55 N000-029-863 Прокладка глушителя
17.56 N000-029-864 Глушитель 1.159 р.
17.61 N000-032-302 Крышка клапанная
17.62 N000-032-303 Шланг сапуна
17.63 N000-029-865 Прокладка крышки клапанов
17.64 N000-029-866 Контргайка
17.65 N000-029-867 Гайка регулировочная M6
17.66 N000-029-868 Коромысло клапана
17.67 N000-029-869 Шпилька коромысла
17.68 N000-029-870 Направляющая штанг
17.69 N000-001-726-2 Свеча зажигания F7TC для газонокосилок 383 р.
17.70 N000-029-871 Тарелка впускного клапана 220 р.
17.71 N000-029-872 Тарелка выпускного клапана 220 р.
17.72 N000-029-873 Подпятник 581 р.
17.73 N000-029-874 Пружина клапана 220 р.
17.75 N000-032-304 Болт M8х55
17.76 N000-032-305 Головка блока цилиндров 7.370 р.
17.77 N000-032-306 Штифт головки
17.78 N000-029-875 Клапан впускной 1.038 р.
17.79 N000-029-876 Клапан выпускной 1.038 р.
17.80 N000-029-877 Прокладка головки цилиндра 351 р.
17.85 N000-029-879 Поршень D70
17.86 N000-029-880 Кольцо стопорное поршневого пальца
17.87 N000-029-881 Палец поршневой
17.88 N000-032-307 Штанга
17.89 N000-032-308 Тарелка толкателя
17.90 N000-035-141 Шатун
17.92 N000-029-883 Фильтр воздушный в сборе 1.033 р.
17.92-1 N000-032-465 Элемент фильтрующий воздушнго фильтра (бумажный) 444 р.
17.93 N000-029-884 Прокладка под корпус воздушного фильтра
17.94 N000-029-885 Карбюратор 2.217 р.
17.95 N000-029-886 Прокладка под карбюратор
17.96 N000-029-887 Теплоизолятор
17.97 N000-029-888 Прокладка под теплоизолятор
17.98 N000-032-309 Шпилька крепления карбюратора
17.99 N000-029-889 Крышка топливного бака
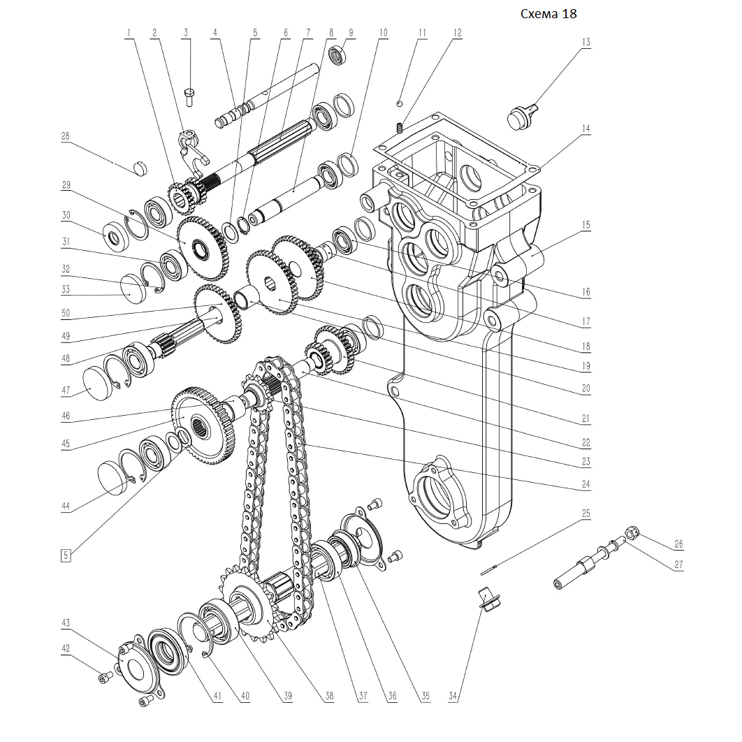
18.1 N000-039-216 Шестерня ведущая двойная
18.10 N000-032-316 Торцевое уплотнение D28хd24хh6 383 р.
18.11 N000-032-319 Шарик стальной d 6,3
18.12 N000-035-143 Пружина d1,2хd6,2х20
18.13 N000-039-284 Пробка заливного отверстия
18.14 N000-039-323 Прокладка редуктора
18.15 N000-039-285 Корпус редуктора
18.16 N000-032-322 Подшипник 6002
18.17 N000-035-155 Втулка d22xd20xd15x20,8x22
18.18 N000-039-286 Шестерня
18.19 N000-039-287 Шестерня
18.2 N000-039-279 Вилка переключения передач
18.20 N000-035-158 Втулка d18,3xd23x20,2
18.21 N000-039-288 Шестерня
18.22 N000-039-289 Вал приводной
18.23 N000-039-218 Звездочка ведущая
18.24 N000-039-290 Цепь 520HF2*50
18.26 N000-039-291 Самоконтрящаяся гайка М8
18.27 N000-039-202 Вал натяжного ролика
18.28 N000-039-302 Уплотнение торцевое 16×5
18.29 N000-039-301 Шестерня двойная заднего хода
18.30 N000-032-402 Сальник D35хd15х7 238 р.
18.31 N000-032-328 Подшипник 6202
18.32 N000-035-166 Кольцо d35x1,5
18.33 N000-035-167 Пробка d35х6
18.35 N000-032-414 Сальник D41xd25x13 744 р.
18.36 N000-032-353 Подшипник 6005
18.37 N000-039-208 Вал шестигранный
18.38 N000-039-210 Звездочка ведомая
18.39 N000-032-358 Подшипник 6205
18.4 N000-039-201 Вал вилки переключения передач
18.40 N000-039-293 Стопорное кольцо 52
18.41 N000-032-413 Сальник D52хd25х13 869 р.
18.42 N000-032-331 Болт M6х1х12
18.43 N000-039-295 Крышка выходного вала
18.44 N000-032-334 Кольцо стопорное d40xh1,5
18.45 N000-039-296 Шестерня
18.47 N000-035-154 Пробка d40х7
18.48 N000-032-335 Подшипник 6203
18.49 N000-039-297 Вал промежуточный
18.50 N000-039-298 Шестерня
18.6 N000-039-307 Стопорное кольцо 17
18.7 N000-039-281 Вал главный
18.8 N000-039-203 Вал передачи заднего хода
18.9 N000-032-340 Сальник D22xd12xh6
Найдено товаров: 155
1
▲ Наверх
0
8 (925) 663-83-63

Call-центр

пн-вс: 10:00-19:00

НАЙТИ ПО МОДЕЛИ
Введите номер заказа
Введите номер своего заказа, что бы узнать его текущий статус.
Что бы получить доступ к расширенным функциям, пройдите не сложную регистрацию. Зарегистрироваться